| Series | Standard |
| Shaft Size d | 1/2 in |
| Bearing Type | Ball Bearing |
| Bearing Number | GYA008RRB |
| Seal Type | Narrow Shroud |
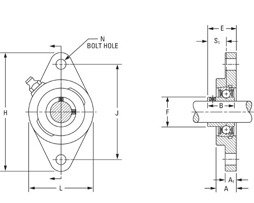
| Housing Construction | Two-Bolt Flange |
| Alternate Part Name | SCJT 1/2 |
| Total Length H | 98.4 mm 3.874 in |
| Total Height L | 60.3 mm 2.374 in |
| Housing Width A | 17.9 mm 0.705 in |
| Bolt Hole Spacing J | 76.2 mm 3 in |
| Bolt Hole Size N | 9.9 mm 0.39 in |
| Flange Thickness A1 | 11.1 mm 0.437 in |
| Inside Ring Width B | 23.8 mm 0.9370 in |
| Dimension S1 | 15.85 mm 0.624 in |
| Dimension E | 25.4 mm 1 in |
| Dimension F | 24.6 mm 0.969 in |
| Static Load Rating | 4700 N 1070 lbf |
| Dynamic Load Rating | 10700 N 2380 lbf |
