| Series | Standard |
| Shaft Size d | 1/2 in |
| Bearing Type | Ball Bearing |
| Bearing Number | GRA008RRB |
| Seal Type | Molded Shroud |
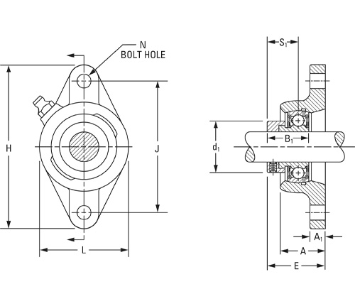
| Housing Construction | Two-Bolt Flange |
| Alternate Part Name | VCJT 1/2 |
| Total Length H | 98.4 mm 3.874 in |
| Total Height L | 53.9 mm 2.122 in |
| Housing Width A | 23.6 mm 0.929 in |
| Bolt Hole Spacing J | 76.2 mm 3 in |
| Bolt Hole Size N | 10.7 mm 0.421 in |
| Flange Thickness A1 | 10.3 mm 0.406 in |
| Dimension B1 | 28.6 mm 1.126 in |
| Dimension S1 | 22.1 mm 0.87 in |
| Dimension E | 39.3 mm 1.547 in |
| Dimension d1 | 28.6 mm 1.126 in |
| Static Load Rating | 4700 N 1070 lbf |
| Dynamic Load Rating | 10700 N 2380 lbf |
