Self Aligning Ball Bearing 1207 EKTN9
Self-aligning ball bearings, with a tapered bore, have two rows of balls, a common sphered raceway in the outer ring and two deep uninterrupted raceway grooves in the inner ring. They are insensitive to angular misalignment of the shaft relative to the housing, which can be caused, for example, by shaft deflection. The tapered bore facilitates ease of mounting via adapter sleeves or withdrawal sleeves.
- Ease of mounting via adapter sleeves or withdrawal sleeves
- Accommodate static and dynamic misalignment
- Excellent high-speed performance
- Excellent light load performance
- Low friction
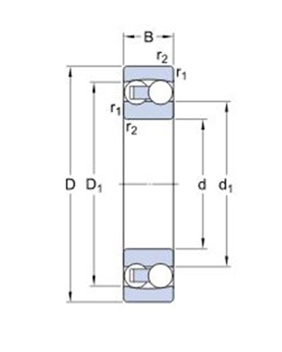
| d | 35 mm | Bore diameter |
| D | 72 mm | Outside diameter |
| B | 17 mm | Width |
| d1 | ≈ 47 mm | Shoulder diameter inner ring |
| D1 | ≈ 60.9 mm | Shoulder diameter outer ring |
| r1,2 | min. 1.1 mm | Chamfer dimension |
| Bore diameter | 35 mm |
| Outside diameter | 72 mm |
| Width | 17 mm |
| Basic dynamic load rating | 19 kN |
| Basic static load rating | 6 kN |
| Reference speed | 20 000 r/min |
| Limiting speed | 13 000 r/min |
| Retaining feature, inner ring | None |
| Locating feature, bearing outer ring | None |
| Number of rows | 2 |
| Bore type | Tapered 1:12 |
| Cage | Non-metallic |
| Radial internal clearance | CN |
| Tolerance class | Normal |
| Material, bearing | Bearing steel |
| Coating | Without |
| Sealing | Without |
| Lubricant | None |
| Relubrication feature | Without |
