| Series | Industrial |
| Shaft Size d | 3/4 in |
| Bearing Type | Ball Bearing |
| Bearing Number | GY1012KRRB TDCF SGT |
| Seal Type | Shroud Seal |
| Housing Construction | Two-Bolt Pillow Block |
| Alternate Part Name | YAK 3/4 PT SGT |
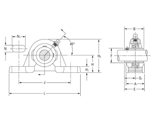
| Base to Center Height H | 31.75 mm 1.25 in |
| Total Length L | 127 mm 5 in |
| Total Width A | 33.3 mm 1.311 in |
| Bolt Hole Spacing J | 96.4 mm 3.795 in |
| Bolt Hole Width N | 11.1 mm 0.437 in |
| Bolt Hole Length N1 | 20.2 mm 0.795 in |
| Foot Height H1 | 13.5 mm |
| Total Height H2 | 64.3 mm 2.531 in |
| Inside Ring Width B | 31.8 mm 1.252 in |
| Dimension S1 | 19.1 mm 0.752 in |
| Dimension F | 27.56 mm 1.085 in |
| Static Load Rating | 6500 N 1460 lbf |
| Dynamic Load Rating | 14200 N 3190 lbf |
