| Series | Standard |
| Shaft Size d | 17 mm |
| Bearing Type | Ball Bearing |
| Bearing Number | GYAE17RRB |
| Seal Type | Narrow Shroud |
| Housing Construction | Two-Bolt Pillow Block |
| Alternate Part Name | SAS17 |
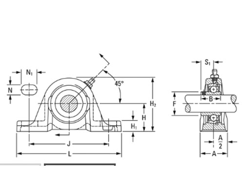
| Base to Center Height H | 30.16 mm 1.187 in |
| Total Length L | 123.8 mm 4.874 in |
| Total Width A | 30.2 mm 1.189 in |
| Bolt Hole Spacing J | 92.1 mm 3.626 in |
| Bolt Hole Width N | 11.1 mm 0.437 in |
| Bolt Hole Length N1 | 22.2 mm 0.874 in |
| Foot Height H1 | 11.9 mm |
| Total Height H2 | 56.4 mm 2.22 in |
| Inside Ring Width B | 23.8 mm 0.9370 in |
| Dimension S1 | 15.85 mm 0.624 in |
| Dimension F | 24.6 mm 0.969 in |
| Static Load Rating | 4700 N 1070 lbf |
| Dynamic Load Rating | 10700 N 2380 lbf |
