| Series | Standard |
| Shaft Size d | 3/4 in |
| Bearing Type | Ball Bearing |
| Bearing Number | GYA012RRB |
| Seal Type | Narrow Shroud |
| Housing Construction | Two-Bolt Pillow Block |
| Alternate Part Name | SAK3/4 |
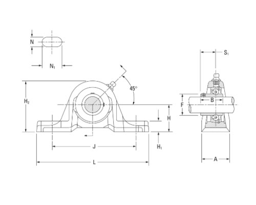
| Base to Center Height H | 31.75 mm 1.25 in |
| Total Length L | 127 mm 5 in |
| Total Width A | 31.8 mm 1.252 in |
| Bolt Hole Spacing J | 96 mm 3.78 in |
| Bolt Hole Width N | 11.1 mm 0.437 in |
| Bolt Hole Length N1 | 19.8 mm 0.78 in |
| Foot Height H1 | 11.9 mm |
| Total Height H2 | 62.7 mm 2.469 in |
| Inside Ring Width B | 27 mm 1.063 in |
| Dimension S1 | 18.14 mm 0.714 in |
| Dimension F | 29 mm 1.142 in |
| Static Load Rating | 6500 N 1460 lbf |
| Dynamic Load Rating | 14200 N 3190 lbf |
