| Series | Standard |
| Shaft Size d | 5/8 in |
| Bearing Type | Ball Bearing |
| Bearing Number | GRA010RRB |
| Seal Type | Molded Shroud |
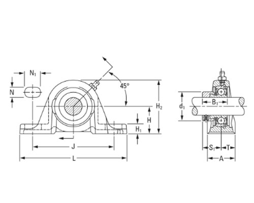
| Housing Construction | Two-Bolt Pillow Block |
| Alternate Part Name | VAK 5/8 |
| Base to Center Height H | 26.99 mm 1.063 in |
| Total Length L | 123.8 mm 4.874 in |
| Total Width A | 30.2 mm 1.189 in |
| Bolt Hole Spacing J | 92.1 mm 3.626 in |
| Bolt Hole Width N | 11.1 mm 0.437 in |
| Bolt Hole Length N1 | 22.2 mm 0.874 in |
| Foot Height H1 | 8.7 mm |
| Total Height H2 | 53.2 mm 2.094 in |
| Dimension d1 | 28.6 mm 1.126 in |
| Dimension B1 | 28.6 mm 1.126 in |
| Dimension S1 | 22.1 mm 0.87 in |
| Dimension S1 | 15.1 mm 0.594 in |
| Static Load Rating | 4700 N 1070 lbf |
| Dynamic Load Rating | 10700 N 2380 lbf |
