| Series | Industrial |
| Shaft Size d | 5/8 in |
| Bearing Number | GY1010KRRB |
| Seal Type | Shroud Seal |
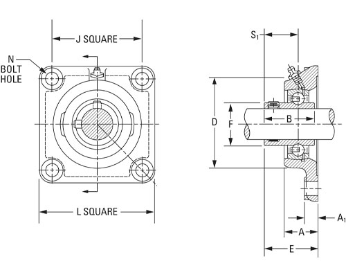
| Housing Construction | Four-Bolt Square Flange |
| Alternate Part Name | YCJ 5/8 |
| Total Length L | 76.2 mm 3 in |
| Housing Width A | 23.6 mm 0.929 in |
| Bolt Hole Spacing | 54 mm 2.126 in |
| Bolt Hole Size N | 10 mm 0.394 in |
| Flange Thickness A1 | 10.3 mm 0.406 in |
| Center of Bearing from Housing End A2 | 16.6 mm 0.654 in |
| Inside Ring Width B | 27.38 mm 1.078 in |
| Dimension S1 | 15.88 mm 0.625 in |
| Dimension D | 52.4 mm 2.063 in |
| Dimension E | 32.5 mm 1.28 in |
| Dimension F | 22.86 mm 0.9 in |
| Bolt Size | M10 |
| Static Load Rating | 4700 N 1070 lbf |
| Dynamic Load Rating | 10700 N 2380 lbf |
