| Series | Standard |
| Shaft Size d | 17 mm |
| Bearing Number | GYAE17RRB |
| Seal Type | Molded Shroud |
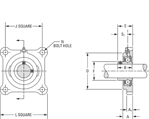
| Housing Construction | Four-Bolt Square Flange |
| Alternate Part Name | SCJ 17 |
| Total Length L | 76.2 mm 3 in |
| Housing Width A | 17.9 mm 0.705 in |
| Bolt Hole Spacing | 53.98 mm 2.125 in |
| Bolt Hole Size N | 10 mm 0.394 in |
| Flange Thickness A1 | 11.1 mm 0.437 in |
| Center of Bearing from Housing End A2 | 9.5 mm 0.374 in |
| Inside Ring Width B | 23.8 mm 0.9370 in |
| Dimension S1 | 15.85 mm 0.624 in |
| Dimension D | 52.4 mm 2.063 in |
| Dimension E | 25.4 mm 1 in |
| Dimension F | 24.6 mm 0.969 in |
| Bolt Size | M10 |
| Static Load Rating | 4700 N 1070 lbf |
| Dynamic Load Rating | 10700 N 2380 lbf |
