Deep Groove Ball Bearing 629-2Z (Single row)
Single row deep groove ball bearings with seals or shields are particularly versatile, have low friction and are optimized for low noise and low vibration, which enables high rotational speeds. They accommodate radial and axial loads in both directions, are easy to mount, and require less maintenance than many other bearing types. The integral sealing can significantly prolong bearing service life because it keeps lubricant in the bearings and contaminants out.
- Integral sealing prolongs bearing service life
- Simple, versatile and robust design
- Low friction and high-speed capability
- Accommodate radial and axial loads in both directions
- Require little maintenance
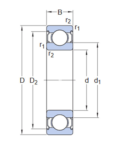
| d | 9 mm | Bore diameter |
| tΔdmp | -0.007 – 0 mm | Deviation limits of mid-range bore diameter |
| D | 26 mm | Outside diameter |
| tΔDmp | -0.008 – 0 mm | Deviation limits of mid-range outside diameter |
| B | 8 mm | Width |
| tΔBs | -0.06 – 0 mm | Deviation limits of ring width |
| d1 | ≈14.8 mm | Shoulder diameter |
| D2 | ≈22.6 mm | Recess diameter |
| r1,2 | min.0.3 mm | Chamfer dimension |
| P6 and tighter width tolerance | ISO tolerance class for dimensions |
| Bore diameter | 9 mm |
| Outside diameter | 26 mm |
| Width | 8 mm |
| Basic dynamic load rating | 4.75 kN |
| Basic static load rating | 1.96 kN |
| Reference speed | 60 000 r/min |
| Limiting speed | 30 000 r/min |
| Filling slots | Without |
| Number of rows | 1 |
| Locating feature, bearing outer ring | None |
| Bore type | Cylindrical |
| Cage | Sheet metal |
| Matched arrangement | No |
| Radial internal clearance | CN |
| Material, bearing | Bearing steel |
| Coating | Without |
| Sealing | Shield on both sides |
| Sealing type | Non-contact |
| Lubricant | Grease |
| Relubrication feature | Without |
