Angular Contact Ball Bearing 3206 ANT9 (Double row)
Double row angular contact ball bearings correspond, in their design and operation, to a pair of single row angular contact ball bearings in a back-to-back arrangement, while requiring less axial space. They can operate at high speeds and are more suitable than deep groove ball bearings for supporting large axial forces in both directions.
- High-speed capability
- Accommodate relatively high radial loads, high axial loads in both directions and tilting moments
- Suitable where a stiff bearing arrangement is required
- Require less axial space than equivalent pair of single row angular contact ball bearings
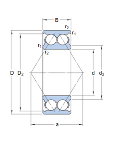
| d | 30 mm | Bore diameter |
| D | 62 mm | Outside diameter |
| B | 23.8 mm | Width |
| d2 | ≈ 38.7 mm | Recess diameter inner ring shoulder |
| D2 | ≈ 55.15 mm | Recess diameter outer ring shoulder |
| r1,2 | min.1 mm | Chamfer dimension inner ring |
| a | 36 mm | Distance pressure point(s) |
| Bore diameter | 30 mm |
| Outside diameter | 62 mm |
| Width | 23.8 mm |
| Contact angle | 30 ° |
| Basic dynamic load rating | 30.5 kN |
| Basic static load rating | 22 kN |
| Reference speed | 10 000 r/min |
| Limiting speed | 10 000 r/min |
| Contact type | Normal contact (two-point contact) |
| Number of rows | 2 |
| Locating feature, bearing outer ring | None |
| Ring type | One-piece inner and outer rings |
| Cage | Non-metallic |
| Arrangement of contact angle (double-row bearing) | Back-to-back (O) |
| Matched arrangement | No |
| Universal matching bearing | No |
| Axial internal clearance | CN |
| Material, bearing | Bearing steel |
| Coating | Without |
| Sealing | Without |
| Lubricant | None |
| Relubrication feature | Without |
